Aluminum T-Slot Profile Framing Technology
Aluminum T-Slot Framing Corner, Curved - Angle Profiles 20mm, 30mm, 40mm, and 80mm

Often times when designing a structure it can be desirable to incorporate curve profiles, curved/radius corners, or flat edge corner into the design and while still having the T-Slot functionality where needed. MayTec offers curved/radius profiles, curved/radius corners, flat edge style corner, and angled profiles.



Curved T-Slot profiles – 30 and 60mm
| Description | Part # | Inertia Moment Ix (cm⁴) | Inertia Moment Iy (cm⁴) | Resistive Moment Wx (cm⁴) | Resistive Moment Wy (cm⁴) | X-sectional Area A | Weight per Meter G |
|---|---|---|---|---|---|---|---|
| R30/60 30° | SP1660N | 1.65 | 2.48 | 0.97 | 1.4 | 2.71 | 0.74 |
| R30/60 45° | SP1670N | 4.76 | 3.67 | 1.98 | 1.89 | 3.67 | 0.99 |
| R30/60 60° | SP1680N | 8.76 | 5.61 | 3.08 | 2.52 | 4.16 | 1.13 |
| R30/60 90° | SP1690N | 18.48 | 18.48 | 5.99 | 5.99 | 6.27 | 1.7 |
*Slide table to the left to see more data
The R30/60 mm curved profiles will integrate with either our standard 30mm or 60mm T-Slot framing profiles.
Curved T-Slot profiles – 40 and 80mm
| Description | Part # | Inertia Moment Ix (cm⁴) | Inertia Moment Iy (cm⁴) | Resistive Moment Wx (cm⁴) | Resistive Moment Wy (cm⁴) | X-sectional Area A | Weight per Meter G |
|---|---|---|---|---|---|---|---|
| R40/80 30° | SP7250N | 6.09 | 8.48 | 2.67 | 3.59 | 5.79 | 1.57 |
| R40/80 45° | SP7260N | 16.26 | 11.85 | 5.06 | 4.59 | 7.09 | 1.92 |
| R40/80 60° | SP7270N | 30.4 | 19.27 | 7.94 | 6.4 | 8.3 | 2.25 |
| R40/80 90° | SP7280N | 66.3 | 66.3 | 16.14 | 16.14 | 12.69 | 3.44 |
*Slide table to the left to see more data
The R40/80mm curved profiles will integrate with either our standard 40mm or 80mm T-Slot framing profiles.
Corner T-Slot profiles – 20mm – radius and edge style
| Description | Part # | Inertia Moment Ix (cm⁴) | Inertia Moment Iy (cm⁴) | Resistive Moment Wx (cm⁴) | Resistive Moment Wy (cm⁴) | X-sectional Area A | Weight per Meter G |
|---|---|---|---|---|---|---|---|
| 20 x 20 R90° mini | SP2070N | 0.6 | 0.6 | 0.55 | 0.55 | 1.76 | 0.48 |
| 20 x 20 edge mini | SP2080N | 0.5 | 0.5 | 0.43 | 0.43 | 1.44 | 0.39 |
*Slide table to the left to see more data
The 20mm corner profiles will integrate with our standard 20mm T-Slot and Closed framing profiles.
Corner T-Slot profiles – 30mm – radius and edge style
| Description | Part # | Inertia Moment Ix (cm⁴) | Inertia Moment Iy (cm⁴) | Resistive Moment Wx (cm⁴) | Resistive Moment Wy (cm⁴) | X-sectional Area A | Weight per Meter G |
|---|---|---|---|---|---|---|---|
| 30 x 30 R90° mini | SP1600N | 2.63 | 2.62 | 1.61 | 1.6 | 3.18 | 0.86 |
| 30 x 30 edge mini | SP1510N | 2.35 | 2.34 | 1.37 | 1.37 | 2.84 | 0.77 |
*Slide table to the left to see more data
The 30mm corner profiles will integrate with our standard 30mm T-Slot framing and Closed profiles.
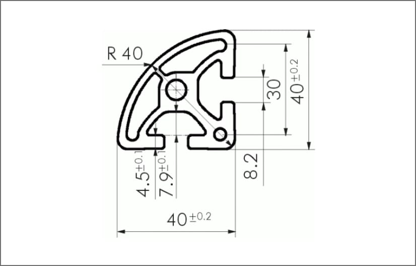
Corner T-Slot profiles – 40mm – radius and edge style
| Description | Part # | Inertia Moment Ix (cm⁴) | Inertia Moment Iy (cm⁴) | Resistive Moment Wx (cm⁴) | Resistive Moment Wy (cm⁴) | X-sectional Area A | Weight per Meter G |
|---|---|---|---|---|---|---|---|
| 40 x 40 R90° mini | SP7120N | 8.21 | 8.21 | 3.54 | 3.54 | 6.23 | 1.69 |
| 40 x 40 edge | SP7200N | 8.88 | 8.88 | 3.89 | 3.89 | 6.92 | 1.88 |
*Slide table to the left to see more data
The 40mm corner profiles will integrate with our standard 40mm T-Slot framing and Closed profiles.
Corner T-Slot profiles – 80mm – edge style
| Description | Part # | Inertia Moment Ix (cm⁴) | Inertia Moment Iy (cm⁴) | Resistive Moment Wx (cm⁴) | Resistive Moment Wy (cm⁴) | X-sectional Area A | Weight per Meter G |
|---|---|---|---|---|---|---|---|
| 80 x 80 edge | SP8050N | 122.08 | 122.08 | 25.76 | 25.76 | 19.79 | 5.36 |
*Slide table to the left to see more data
The 80mm corner profile will integrate with our standard 80mm T-Slot framing and Closed profiles.
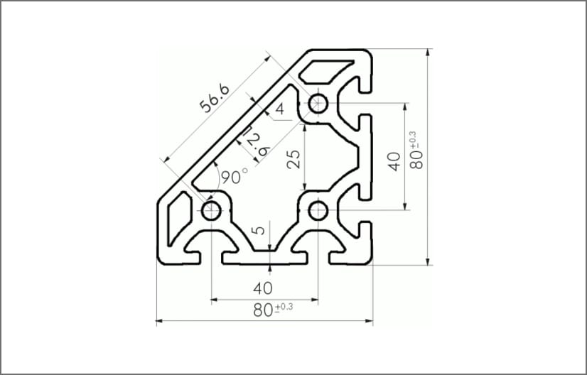
Angle T-Slot profiles – 40mm
| Description | Part # | Inertia Moment Ix (cm⁴) | Inertia Moment Iy (cm⁴) | Resistive Moment Wx (cm⁴) | Resistive Moment Wy (cm⁴) | X-sectional Area A | Weight per Meter G |
|---|---|---|---|---|---|---|---|
| 40 x 80/80 std | SP4800N | 125.71 | 127.71 | 27.03 | 27.03 | 22.91 | 6.21 |
| 40 x 80/80 semi | SP5150N | 90.82 | 90.82 | 19.69 | 19.69 | 16.62 | 4.5 |
| 40 x 120/120 std | SP4500N | 471.16 | 471.16 | 62.32 | 62.32 | 37.47 | 10.15 |
*Slide table to the left to see more data
The 40mm angle profiles will integrate with either our standard 40mm, 80mm, or 120mm T-Slot framing profiles.
Please Note - the mechanical properties for our corner and curved profiles may be reviewed in the attached pdf’s and online resource links below.
Please Note – all MayTec T-Slot corner and curved profile frames are available in the natural anodized finish only.
Catalog page PDFs:

Engineering resources – Aluminum Curved Profile Framing:
R30/60 30° profile frame – online resources:
https://paletti.shop/en/products/profiles/closed-profiles-30-midi/sp1660n6000-profile-r30-60-300-midi-naturalR30/60 45° profile frame – online resources:
https://paletti.shop/en/products/profiles/closed-profiles-30-midi/sp1670n6000-profile-r30-60-450-midi-naturalR30/60 60° profile frame – online resources:
https://paletti.shop/en/products/profiles/closed-profiles-30-midi/sp1680n6000-profile-r30-60-600-midi-naturalR30/60 90° profile frame – online resources:
https://paletti.shop/en/products/profiles/closed-profiles-30-midi/sp1690n6000-profile-r30-60-900-midi-naturalR40/80 30° profile frame – online resources:
https://paletti.shop/en/products/profiles/closed-profiles-40/sp7250n6000-profile-r40-80-300-naturalR40/80 45° profile frame – online resources:
https://paletti.shop/en/products/profiles/closed-profiles-40/sp7260n6000-profile-r40-80-450-naturalR40/80 60° profile frame – online resources:
https://paletti.shop/en/products/profiles/closed-profiles-40/sp7270n6000-profile-r40-80-600-naturalR40/80 90° profile frame – online resources:
https://paletti.shop/en/products/profiles/closed-profiles-40/sp7280n6000-profile-r40-80-900-natural
Engineering resources – Aluminum Corner Profile Framing:
20 x 20 R90° mini corner profile – online resources:
https://paletti.shop/en/products/profiles/profiles-20-mini/sp2070n6000-profile-20x20-r90-mini-natural20 x 20 edge mini corner profile – online resources:
https://paletti.shop/en/products/profiles/profiles-20-mini/sp2080n6000-profile-20x20-corner-mini-natural30 x 30 R90° midi corner profile – online resources:
https://paletti.shop/en/products/profiles/closed-profiles-30-midi/sp1600n6000-profile-30x30-r90-midi-natural30 x 30 edge midi corner profile – online resources:
https://paletti.shop/en/products/profiles/closed-profiles-30-midi/sp1510n6000-profile-30x30-corner-natural40 x 40 R90° corner profile – online resources:
https://paletti.shop/en/products/profiles/closed-profiles-40/sp7210n6000-profile-40x40-r90-natural40 x 40 edge corner profile – online resources:
https://paletti.shop/en/products/profiles/closed-profiles-40/sp7200n6000-profile-40x40-corner-natural80 x 80 edge corner profile – online resources:
https://paletti.shop/en/products/profiles/closed-profiles-40/sp8050n6000-profile-80x80-corner-natural
Engineering resources – Angle Corner Profile Framing:
40x80/80 standard angle profile – online resources:
https://paletti.shop/en/products/profiles/angle-profiles/sp4800n6000-angle-profile-40x80-80-natural40x80/80 semi angle profile – online resources:
https://paletti.shop/en/products/profiles/angle-profiles/sp5150n6000-angle-profile-40x80-80-semi-natural40x120/120 standard angle profile – online resources:
https://paletti.shop/en/products/profiles/angle-profiles/sp4500n6000-angle-profile-40x120-120-naturalCommon accessories – Curved Round Corner Caps (Aluminum)
20 x 20 Round Corner Aluminum Cap – online resources:
https://paletti.shop/en/products/accessories/round-corners/sz5060n-round-corner-2030 x 30 Round Corner Aluminum Cap – online resources:
https://paletti.shop/en/products/accessories/round-corners/sz5055n-round-corner-3040 x 40 Round Corner Aluminum Cap – online resources:
https://paletti.shop/en/products/accessories/round-corners/sz5050n-round-corner-4080 x 80 Round Corner Aluminum Cap – online resources:
https://paletti.shop/en/products/accessories/round-corners/sz5045n-round-corner-80Common accessories – End Caps (black finish): Curved profiles:
R30/60 30° curved profile frame end cap – online resources:
https://paletti.shop/en/products/accessories/profile-caps/sz0091s-profile-cap-r30-60-300R30/60 45° curved profile frame end cap – online resources:
https://paletti.shop/en/products/accessories/profile-caps/sz0092s-profile-cap-r30-60-450R30/60 60° curved profile frame end cap – online resources:
https://paletti.shop/en/products/accessories/profile-caps/sz0094s-profile-cap-r30-60-600R30/60 90° curved profile frame end cap – online resources:
https://paletti.shop/en/products/accessories/profile-caps/sz0095s-profile-cap-r30-60-900R40/80 30° curved profile frame end cap – online resources:
https://paletti.shop/en/products/accessories/profile-caps/sz0026s-profile-cap-r40-80-300R40/80 45° curved profile frame end cap – online resources:
https://paletti.shop/en/products/accessories/profile-caps/sz0027s-profile-cap-r40-80-450R40/80 60° curved profile frame end cap – online resources:
https://paletti.shop/en/products/accessories/profile-caps/sz0028s-profile-cap-r40-80-600R40/80 90° curved profile frame end cap – online resources:
https://paletti.shop/en/products/accessories/profile-caps/sz0029s-profile-cap-r40-80-900Common accessories – End Caps (black finish): Corner profiles:
20 x 20 R90° mini corner profile end cap – online resources:
https://paletti.shop/en/products/accessories/profile-caps/sz0005s-profile-cap-20x20-r90-mini20 x 20 edge mini corner profile end cap – online resources:
https://paletti.shop/en/products/accessories/profile-caps/sz0004s-profile-cap-20x20-450-mini30 x 30 R90° midi corner profile end cap – online resources:
https://paletti.shop/en/products/accessories/profile-caps/sz0097s-profile-cap-30x30-r90-midi30 x 30 edge midi corner profile end cap – online resources:
https://paletti.shop/en/products/accessories/profile-caps/sz0096s-profile-cap-30x30-450-midi40 x 40 R90° corner profile end cap – online resources:
https://paletti.shop/en/products/accessories/profile-caps/sz0017s-profile-cap-40x40-r9040 x 40 edge corner profile end cap – online resources:
https://paletti.shop/en/products/accessories/profile-caps/sz0016s-profile-cap-40x40-45080 x 80 edge corner profile end cap:
Please see part SZ0023S in the PDF above titled Corner-CurvedProfiles-CornerCapsPlastic-CatalogPages.pdf
Please note – there are no End Caps specifically designed for the Angle Profiles. However, a combination of our straight 40mm End Caps can be used to sufficiently cover the ends of the angle profiles.
Information about those end caps can be found near the bottom of our 40mm profile page using this link: https://maytec-usa.com/aluminum-framing/40mm

















