Aluminum T-Slot Profile Framing Technology
Aluminum T-Slot Framing and Surface Profiles 28mm - with an 8mm T-Slot


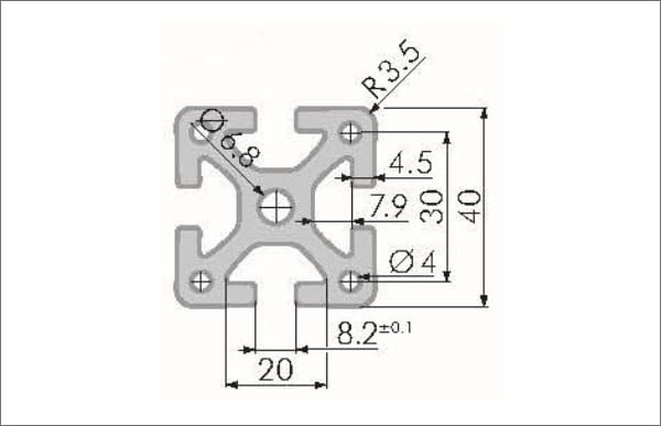
These T-Slot dimensions are used with each of the profiles shown below
MayTec’s 28mm profiles are part of our 40mm Series family, and so come with those same 8mm T-Slot dimensions. They are easily integrated with one another or the 16mm, 30mm, and 40mm profiles. As always, our engineering team will design a structure or system with the best combination of materials and price points.
These profiles can be used for structural purposes, but are more often used for surface applications where the T-Slot functionality becomes ideal for adding either more T-Slot structure or other attachments. The wide profiles are sometimes mounted next to one another to increase the surface area. The narrow profiles are sometimes mounted on an otherwise flat surface to add the T-Slot attachment functionality.
| Description | Part # | Inertia Moment Ix (cm⁴) | Inertia Moment Iy (cm⁴) | Resistive Moment Wx (cm⁴) | Resistive Moment Wy (cm⁴) | X-sectional Area A | Weight per Meter G |
|---|---|---|---|---|---|---|---|
| 28 x 120 Standard | SP3300N | 302.71 | 15.31 | 50.45 | 10.63 | 23.1 | 6.26 |
| 28 x 160 Standard | SP3400N | 695.74 | 20.25 | 86.97 | 14.16 | 30.36 | 8.23 |
| 28 x 200 Standard | SP3450N | 1327.48 | 25.01 | 93.05 | 2.5 | 37.37 | 9.94 |
*Slide table to the left to see more data
Please Note – All MayTec T-Slot profile frames are available in the natural anodized finish, many profiles are available in the black anodized finish or may be special ordered, other anodized finish colors or un-anodized profiles may also be special ordered.
Catalog page PDFs:

Engineering resources - Aluminum T-Slot Profile Framing:
28 x 120 Standard profile frame - online resources:
https://paletti.shop/en/products/profiles/profiles-40/sp3300n6000-profile-28x120-natural28 x 160 Standard profile frame – online resources:
https://paletti.shop/en/products/profiles/profiles-40/sp3400n6000-profile-28x160-natural28 x 200 Standard profile frame – please refer to our catalog page pdf:
FramingProfiles-28mmStandard-CatalogPage.pdf
Common accessories - End Caps (black finish):
28 x 120 Standard profile end cap – online resources:
https://paletti.shop/en/products/accessories/profile-caps/sz0042s-profile-cap-28x12028 x 160 Standard profile end cap – online resources:
https://paletti.shop/en/products/accessories/profile-caps/sz0043s-profile-cap-28x16028 x 200 Standard profile end cap – NA
Common accessories – Fastening Hardware:
The MayTec hardware has been custom engineered specifically for our products, and is quick and simple to use. Our central fasteners are an excellent choice for most corner assembly needs. Our T-Nuts are commonly used in some corner assembly or other assembly needs. Particularly, the push-in T-Nuts are very useful and also offer the benefit of being installed and positioned after the rest of the assembly has been completed and with the option for mounting the assembly to other surfaces.
SV1211V – Central Fastener with anti-rotation, ball spring, and standard material:
https://paletti.shop/en/products/fasteners/central-fasteners-40/sv1211v-central-fastener-svSV1350V – Central Fastener with anti-rotation, ball spring, and stainless material:
https://paletti.shop/en/products/fasteners/central-fasteners-40/sv1350v-central-fastener-sv-stainlessSV2102V – Push-in type T-Nut M8 with ball spring, and standard material:
https://paletti.shop/en/products/fasteners/t-nuts/sv2102v-t-nut-m8-ball-type-push-inSV2106V – Push-in type T-Nut M8 with ball spring, and stainless material:
https://paletti.shop/en/products/fasteners/t-nuts/sv2106v-t-nut-m8-ball-type-push-in-stainlessSV2002V – Slide-In type T-Nut M8 with ball spring, and standard material:
https://paletti.shop/en/products/fasteners/t-nuts/sv2002v-t-nut-m8-ball-type-slide-inSV2003V – Slide-In type T-Nut M8 with ball spring, and stainless material:
https://paletti.shop/en/products/fasteners/t-nuts/sv2003v-t-nut-m8-ball-type-slide-in-s

